GEBERIT REF : 53062

EMBRANCHEMENT - 45° - Réduit

GEBERIT 364.112.16.1

63x50 - 364.112.16.1
Voir la description complète
GEBERIT REF : 53062

Vous avez un projet ?

Contactez-nous

Vous êtes un professionnel ?

Se connecter
EMBRANCHEMENT - 45° - Réduit
63x50 - 364.112.16.1
GEBERIT [364.112.16.1]
Informations générales
Informations générales
MarqueGeberit
DénominationEMBRANCHEMENT - 45° - Réduit
63x50 - 364.112.16.1
GEBERIT [364.112.16.1]
Référence fabricant364.112.16.1
Référence RICHARDSON53062.6
LibelléEMBRANCHEMENT 45 PE 63/50 GEBERIT 364112161
Caractéristiques
Caractéristiques
GammePEHD
MarqueGEBERIT
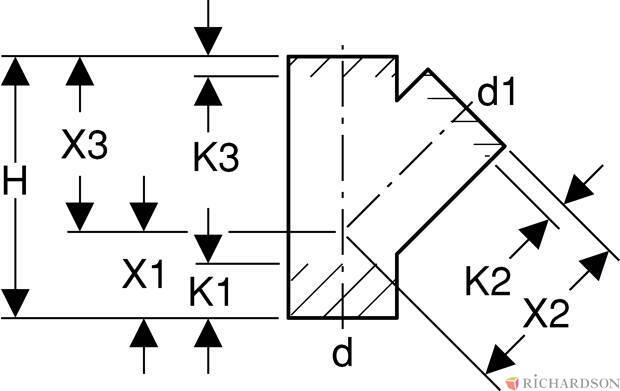
Descriptif fournisseurEmbranchement 45° Geberit PE: d=63mm, d1=50mm
45° - Réduit
Documents techniques
Documents techniques Fiche technique
Documents techniques
Documents techniques PDF icon Fiche technique

Large choix de produits

+ de 200 grandes marques, 280 000 produits

Magasins proches de chez vous

+ de 100 magasins en France, depuis 1855

Conseils d'experts et devis gratuits

Des conseillers à votre écoute

Partenaires des professionnels

+ de 170 ans de collaboration